15EDGVHBN-THR-3.5-16P-13-10Z(H), Клемма на печатную...
6 октября 2023
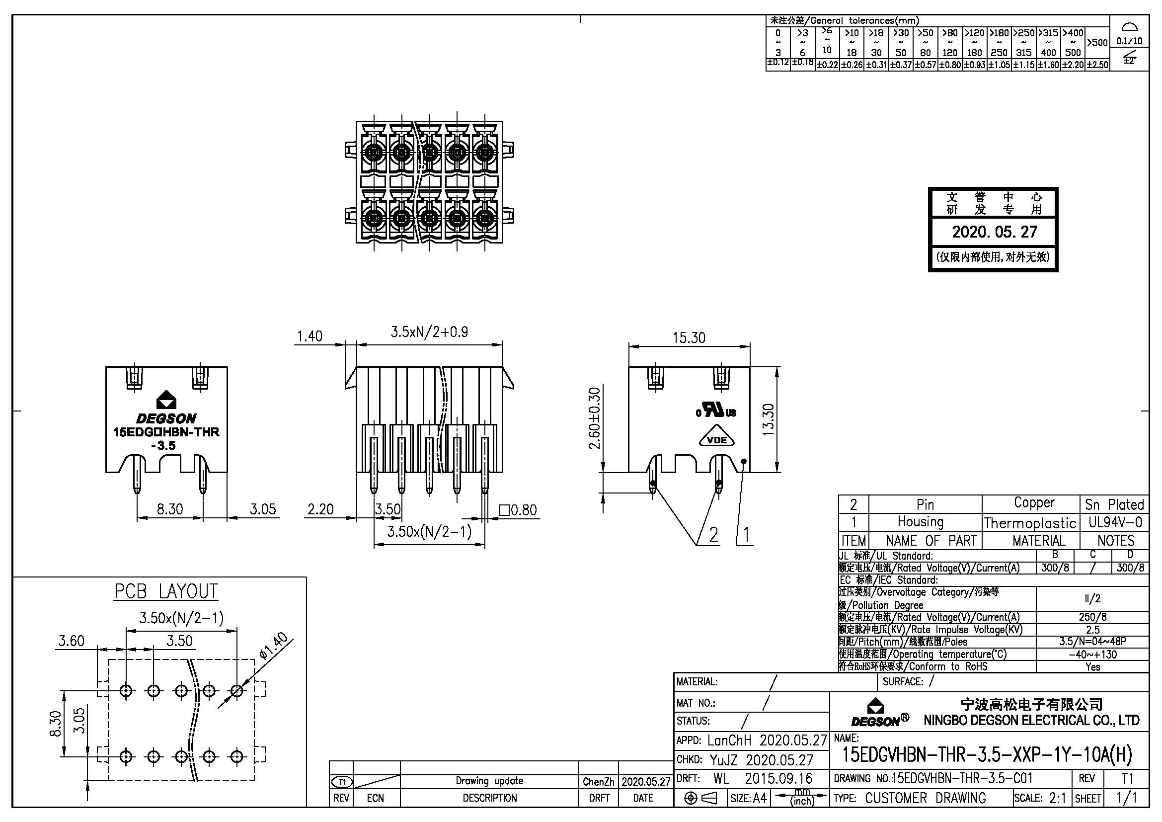
Описание
Альетрнативный артикул: 10030004143
Клемма на печатную плату, 16 полюсов, шаг 3.5 мм, черная
Характеристики
| Производитель | Degson |
|---|---|
| Количество полюсов клеммы | 16 |
| Шаг на клемме | 3.5 |
| Цвет | Черный |


